信睿科技动态
你现在所处的位置:首页> 信睿科技动态
军品科研成果——XRM-I型CAN总线船用仪表箱定型投产
信息来源:本站原创 发布时间:2013/3/12 访问次数:4334| 科研项目提出和研究目的 | ||||||||||||
| 本项目于2006年由中国人民解放军总后勤部车船局驻重庆昆明军事代表室申报该局的创新科研项目。 项目研究目的是探索CAN总线技术在船用柴油机测控仪表方面的运用,并研发一套可用于普通和电喷柴油机的仪表产品。 | ||||||||||||
| ||||||||||||
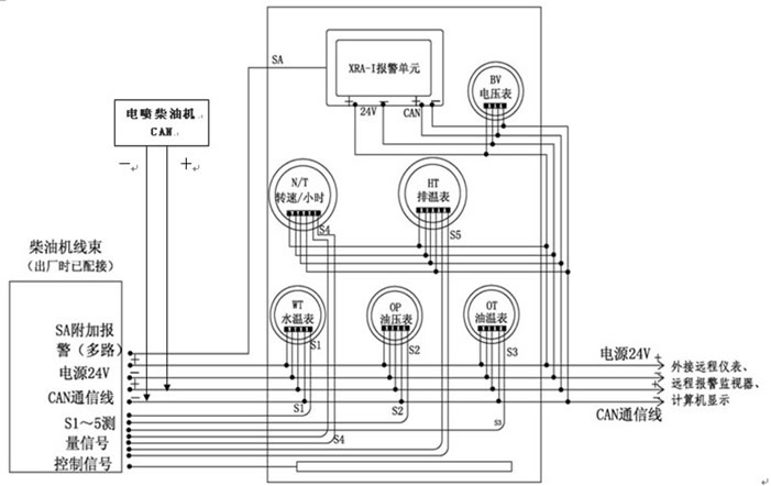
| 标准型仪表箱系统框图 | ||||||||||||
![]() | ||||||||||||
| 项目选定研发CAN总线柴油机仪表原因 | ||||||||||||
| CAN总线名称——Control Area Network意即控制器局域网,是一种现场控制设备互连的总线型式,它比RS485计算机通信控制总线具有更多的优越性和先进性。 | ||||||||||||
| ||||||||||||
| 目前CAN总线测控系统已广泛应用在汽车、工程机械、大型工程设备和电喷柴油机中,是一种今后测控技术的发展方向,所以本项目选定研发以CAN总线型式工作的柴油机仪表及总成。 | ||||||||||||
| 本项目CAN总线仪表设计的技术特点 | ||||||||||||
| ||||||||||||
| ||||||||||||
| 成套研发的液晶程监测器和表箱 | ||||||||||||
| ||||||||||||
上一篇:XRJ-I/II型电喷仪表箱与进口产品综合比较
下一篇:没有了
下一篇:没有了




